產品中心
進口回油過濾器
類別:美國進口閥門 ? 發布時間:1970-01-01 08:00 ? 瀏覽: 次

進口回油過濾器描述--
1.回油過濾器由上端蓋和筒體組成, 通常安裝在油箱頂部或油路安裝, 液壓系統中回油的精過濾。
2.上端蓋設有污染發訊器接口。染發訊器用于過濾器濾芯被污染物堵塞時發出訊號指示,以便更換濾芯,確保可靠的功能及保護易污染液壓元件和設備免受磨損
3.濾芯采用玻璃纖維材料折疊而成,具有過濾精度高,通油量大,壓損小,納污能量大

濾芯最大允許壓差—
BN3HC:25bar
P/HC:10 bar
W/HC:30 bar
V:210 bar
BW/AM:10 bar
AM:10 bar
進口回油過濾器參數--
1.最高流量:15000L/min
2.流向: 入口--側面, 出口--垂直向下
3.溫度范圍:-10℃….+100℃
4.旁通閥開啟壓力△Po=3bar+0.5bar
5.過濾精度μm: BN3HC,V—3.5,10,20 BN/AM—3.10 W/HC—25,50,100,200
6.殼體材料: 球墨鑄鐵, 碳鋼
7.連接尺寸:G1/2-G2,SEA2”-SEA4”
8.介質:礦物油,潤滑油
污染發訊器形式--
1. 污染發訊器接口帶塑料螺塞
2. 污染發訊器接口帶鋼制螺塞
3. 目視發訊器
4. 電氣發訊器
5. 目視/電氣發訊器
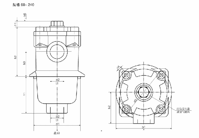
進口回油過濾器外形尺寸--
160/240規格


330/660規格

950/1300規格




