產品中心
進口T型過濾器
類別:進口過濾器 ? 發布時間:2020-12-31 19:08 ? 瀏覽: 次

格林巴赫托普,巴赫BACH進口泵閥品牌。
格林巴赫托普,專注于進口T型過濾器制造商,主要產品:水泵,閥門,水處理設備等系列產品的制造、銷售、售后服務,進口T型過濾器產品應用在化工、石化、石油、造紙、采礦、電力、液化氣、食品、制藥、給排水等領域。
|
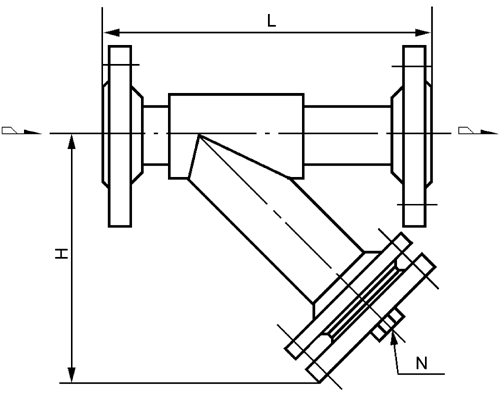
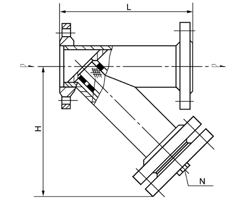
過濾器是從流體中分離固體顆粒雜質,提高產品純度,保護設備 ( 壓縮機、泵、儀表等 ) 安全工作的產品。 日本大野機械南通工廠生產的系列過濾器其強度和密封試驗執行中國 HGJ532-91 系列標準 ,其種類有Y型、T型、錐型、籃式、罐型等。 接管形式有對焊連接、法蘭連接和絲口連接。 殼體材質有碳鋼、鑄鋼、各種牌號的不銹鋼等。 |
|||||||||||||||||||||||||||||||||||||||||||||||||||||||||||||||||||||||||
| 1、Y型同徑法蘭連接鑄造式過濾器(DGYI-F型) | |||||||||||||||||||||||||||||||||||||||||||||||||||||||||||||||||||||||||
|
|||||||||||||||||||||||||||||||||||||||||||||||||||||||||||||||||||||||||
|
|||||||||||||||||||||||||||||||||||||||||||||||||||||||||||||||||||||||||
|
圖表(DN15-50、PN≤5.0MPa)
|
|||||||||||||||||||||||||||||||||||||||||||||||||||||||||||||||||||||||||
| 2、Y型法蘭連接焊接式過濾器(DGYII-F型) | |||||||||||||||||||||||||||||||||||||||||||||||||||||||||||||||||||||||||
|
|||||||||||||||||||||||||||||||||||||||||||||||||||||||||||||||||||||||||
|
|||||||||||||||||||||||||||||||||||||||||||||||||||||||||||||||||||||||||
|
|||||||||||||||||||||||||||||||||||||||||||||||||||||||||||||||||||||||||
| 3、Y型帶夾套法蘭連接焊接式過濾器(DGYJII-F型) | |||||||||||||||||||||||||||||||||||||||||||||||||||||||||||||||||||||||||
|
|||||||||||||||||||||||||||||||||||||||||||||||||||||||||||||||||||||||||
|
|||||||||||||||||||||||||||||||||||||||||||||||||||||||||||||||||||||||||
| 4、Y型異徑對焊連接焊接過式過濾器(DGYJII-W型) | |||||||||||||||||||||||||||||||||||||||||||||||||||||||||||||||||||||||||
|
|||||||||||||||||||||||||||||||||||||||||||||||||||||||||||||||||||||||||
|
|||||||||||||||||||||||||||||||||||||||||||||||||||||||||||||||||||||||||
聲明:本產品介紹中所有文字、數據、圖片考慮到使用工況條件不同,難免會產生誤差、不恰當或是有不充分的描述,故均適用于參考,同一種產品在不同的場合與工況有不同的搭配,如果您對本文中所提供的產品內容有任何疑問,如果您是非專業人士,歡迎您向本公司來電咨詢,請您聯系我們,我們將竭誠為您服務!
技術QQ;2412941573
銷售電話 :13917052988 (微信同號)。






