格林巴赫托普,巴赫BACH進口泵閥品牌。
格林巴赫托普,專注于進口T型過濾器制造商,主要產品:水泵,閥門,水處理設備等系列產品的制造、銷售、售后服務,進口T型過濾器產品應用在化工、石化、石油、造紙、采礦、電力、液化氣、食品、制藥、給排水等領域。
|
T型過濾器廣泛應用于蒸汽、空氣、水、油品等多種介質的管線中,保護管線系統上各種設備,如水泵、閥門等,免受管道內的鐵銹、焊渣等雜物帶來對管道的堵塞和損壞。格林巴赫機械生產的T型過濾器具有抗污性能強,排污方便,流通面積大,壓力損失小,結構簡單,體積小等特點;T型過濾器的過濾網材質均是不銹鋼,耐腐蝕性強,使用壽命長; T型過濾器還分直流式和折流式,過濾網的密度有10目-1000目,溫度0~450℃,可根據用戶需要選用。 |
 |
|
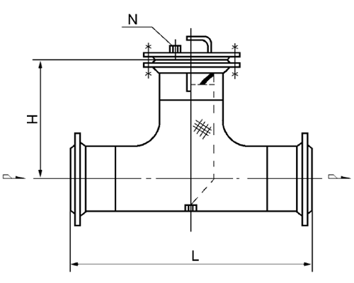
1、T型對焊連接直通式過濾器(DGTI-W型) |
|
|
|
公稱直徑
DN
|
D0
|
L
|
H
|
管塞
N
|
|
系列A
|
系列B
|
|
50
|
60.3
|
57
|
128
|
175
|
RC3/8
|
|
65
|
76.1
|
76
|
152
|
195
|
|
80
|
88.9
|
89
|
172
|
210
|
|
100
|
114.3
|
108
|
210
|
230
|
|
125
|
139.7
|
133
|
248
|
310
|
|
150
|
168.3
|
159
|
286
|
335
|
RC3/4
|
|
200
|
219.1
|
219
|
356
|
400
|
|
250
|
273
|
273
|
432
|
450
|
M20x1.5
|
|
300
|
323.9
|
325
|
508
|
535
|
|
350
|
355.6
|
377
|
558
|
580
|
|
400
|
406.4
|
426
|
610
|
640
|
|
|
2、T型法蘭連接直通式過濾器(DGTI-F型) |
|
|
|
公稱直徑DN |
安裝尺寸MM |
管塞N |
|
L |
H |
|
50 |
230 |
170 |
RC3/8 |
|
65 |
260 |
170 |
|
80 |
290 |
180 |
|
100 |
350 |
200 |
|
125 |
390 |
230 |
|
150 |
435 |
250 |
RC3/4 |
|
200 |
540 |
310 |
|
250 |
640 |
370 |
M20x1.5 |
|
300 |
745 |
425 |
|
350 |
800 |
460 |
|
400 |
900 |
520 |
|
|
3、T型對焊連接折疊直通式過濾器(DGTMI-W型) |
|
|
|
公稱直徑
DN
|
D0
|
L
|
H
|
管塞
N
|
|
系列A
|
系列B
|
|
200
|
219.1
|
219
|
356
|
380
|
M20x1.5
|
|
250
|
273
|
273
|
432
|
520
|
|
300
|
323.9
|
325
|
508
|
580
|
|
350
|
355.6
|
377
|
558
|
700
|
|
400
|
406.4
|
426
|
610
|
760
|
|
500
|
508
|
529
|
763
|
920
|
|
|
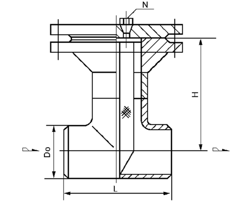
4、T型對焊連接正折流式過濾器(DGTII-W型) |
|
5、T型對焊連接反折流式過濾器(DGTIII-W型) |
|
|
|
公稱直徑
DN
|
D0
|
L
|
H
|
L1
|
管塞
N
|
|
系列A
|
系列B
|
|
50 |
60.3
|
57
|
300
|
64
|
165
|
RC3/8
|
|
65 |
76.1
|
76
|
340
|
76
|
185
|
|
80 |
88.9
|
89
|
370
|
86
|
195
|
|
100 |
114.3
|
108
|
425
|
105
|
220
|
|
125 |
139.7
|
133
|
465
|
124
|
240
|
|
150 |
168.3
|
159
|
520
|
143
|
270
|
RC3/4
|
|
200 |
219.1
|
219
|
630
|
178
|
320
|
|
250 |
273
|
273
|
740
|
216
|
370
|
M20x1.5
|
|
300 |
323.9
|
325
|
845
|
254
|
420
|
|
350 |
355.6
|
377
|
910
|
279
|
450
|
|
400 |
406.4
|
426
|
1040
|
305
|
520
|
|
|
6、T型法蘭連接正折流式過濾器(DGTII-F型) |
|
7、T型法蘭連接反折流式過濾器(DGTIII-F型) |
|
|
|
公稱直徑
DN
|
L
|
H
|
L1
|
管塞
N
|
|
50 |
300
|
165
|
165
|
RC3/8
|
|
65 |
340
|
185
|
185
|
|
80 |
370
|
195
|
195
|
|
100 |
425
|
220
|
220
|
|
125 |
465
|
240
|
240
|
|
150 |
520
|
270
|
270
|
RC3/4
|
|
200 |
630
|
320
|
320
|
|
250 |
740
|
370
|
370
|
M20x1.5
|
|
300 |
845
|
420
|
420
|
|
350 |
910
|
450
|
450
|
|
400 |
1040
|
520
|
520
|
|
聲明:本產品介紹中所有文字、數據、圖片考慮到使用工況條件不同,難免會產生誤差、不恰當或是有不充分的描述,故均適用于參考,同一種產品在不同的場合與工況有不同的搭配,如果您對本文中所提供的產品內容有任何疑問,如果您是非專業人士,歡迎您向本公司來電咨詢,請您聯系我們,我們將竭誠為您服務!
技術QQ;2412941573
銷售電話 :13917052988 (微信同號)。