產品中心
進口Y型過濾器
類別:進口過濾器 ? 發布時間:2020-12-31 21:26 ? 瀏覽: 次

格林巴赫托普,巴赫BACH進口泵閥品牌。
格林巴赫托普,專注于進口T型過濾器制造商,主要產品:水泵,閥門,水處理設備等系列產品的制造、銷售、售后服務,進口T型過濾器產品應用在化工、石化、石油、造紙、采礦、電力、液化氣、食品、制藥、給排水等領域。
|
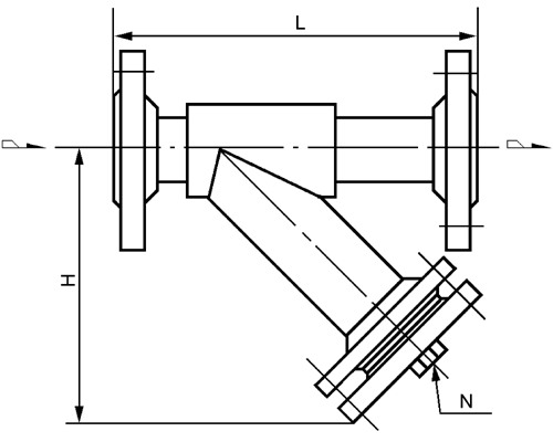
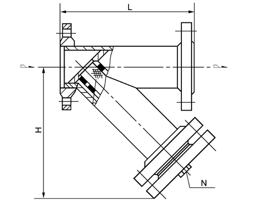
過濾器是從流體中分離固體顆粒雜質,提高產品純度,保護設備 ( 壓縮機、泵、儀表等 ) 安全工作的產品。 格林巴赫生產的系列過濾器其強度和密封試驗執行中國 HGJ532-91 系列標準 ,其種類有Y型、T型、錐型、籃式、罐型等。 接管形式有對焊連接、法蘭連接和絲口連接。 殼體材質有碳鋼、鑄鋼、各種牌號的不銹鋼等。 |
|||||||||||||||||||||||||||||||||||||||||||||||||||||||||||||||||||||||||
| 1、Y型同徑法蘭連接鑄造式過濾器(DGYI-F型) | |||||||||||||||||||||||||||||||||||||||||||||||||||||||||||||||||||||||||
|
|||||||||||||||||||||||||||||||||||||||||||||||||||||||||||||||||||||||||
|
|||||||||||||||||||||||||||||||||||||||||||||||||||||||||||||||||||||||||
|
圖表(DN15-50、PN≤5.0MPa)
|
|||||||||||||||||||||||||||||||||||||||||||||||||||||||||||||||||||||||||
| 2、Y型法蘭連接焊接式過濾器(DGYII-F型) | |||||||||||||||||||||||||||||||||||||||||||||||||||||||||||||||||||||||||
|
|||||||||||||||||||||||||||||||||||||||||||||||||||||||||||||||||||||||||
|
|||||||||||||||||||||||||||||||||||||||||||||||||||||||||||||||||||||||||
|
|||||||||||||||||||||||||||||||||||||||||||||||||||||||||||||||||||||||||
| 3、Y型帶夾套法蘭連接焊接式過濾器(DGYJII-F型) | |||||||||||||||||||||||||||||||||||||||||||||||||||||||||||||||||||||||||
|
|||||||||||||||||||||||||||||||||||||||||||||||||||||||||||||||||||||||||
|
|||||||||||||||||||||||||||||||||||||||||||||||||||||||||||||||||||||||||
| 4、Y型異徑對焊連接焊接過式過濾器(DGYJII-W型) | |||||||||||||||||||||||||||||||||||||||||||||||||||||||||||||||||||||||||
|
|||||||||||||||||||||||||||||||||||||||||||||||||||||||||||||||||||||||||
|
|||||||||||||||||||||||||||||||||||||||||||||||||||||||||||||||||||||||||
聲明:本產品介紹中所有文字、數據、圖片考慮到使用工況條件不同,難免會產生誤差、不恰當或是有不充分的描述,故均適用于參考,同一種產品在不同的場合與工況有不同的搭配,如果您對本文中所提供的產品內容有任何疑問,如果您是非專業人士,歡迎您向本公司來電咨詢,請您聯系我們,我們將竭誠為您服務!
技術QQ;2412941573
銷售電話 :13917052988 (微信同號)。






