類別:美國進口閥門 ? 發布時間:1970-01-01 08:00 ? 瀏覽: 次

進口低阻力倒流防止器描述--
ALSO低阻力倒流防止器利用水力控制原理設計,具有結構緊湊,隔斷可靠,水頭損失小,體積水,重量輕,安裝維修方便等特點,主要應用在供水系統,用水系統和市政管道系統中,能有效防止和隔斷不潔凈的水倒流污染生活飲用水。
進口低阻力倒流防止器主要參數及曲線圖--

進口低阻力倒流防止器運作過程--
1.運作參數
P1--進水端笫-級閥瓣前的壓力 P2--中間腔的壓力 P3--出水端笫二級閥瓣后的壓力
2.開啟狀態
介質正向流動時P1大于P3進出口兩級閥瓣均開啟,介質從進口端流經中間腔,由出口端流出,同時進出口之間產生正向壓差△P使排水器關閉不排水。
3.關閉狀態
當P3大于P1時,進出口閥瓣受水流控制作用自動關閉,同時進出口之間產生反向壓差-△P,使排水器打開,并維持最大排泄量,使主閥中間腔與大氣相通,形成空氣隔斷,切斷回流水倒流污染進口端,具有防污隔斷功能。
進口低阻力倒流防止器防滲漏特性--
產品經過嚴格的安全設計,在P3大于P1時,主閥關閉,此時因閥瓣不密封,密封件磨損、老化等原因,產生介質滲漏,都能將滲漏到中間腔的介質通過排水器迅速排出閥外,避免對進口端的回流污染。
進口低阻力倒流防止器材質表--
閥體:球墨鑄鐵、鑄鋼、不銹鋼
閥瓣:不銹鋼
閥套:不銹鋼
排水器:不銹鋼、銅合金
密封件:三元乙丙橡膠,硅橡膠
外接配件:不銹鋼、銅合金
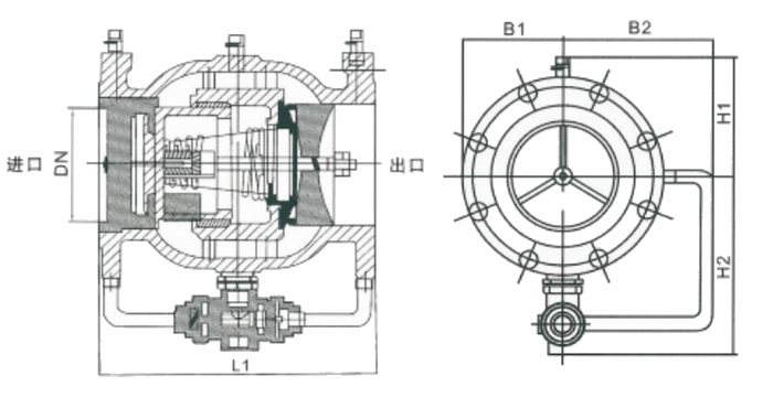
進口低阻力倒流防止器外形尺寸--

|
通徑DN |
DN 50 |
DN 65 |
DN 80 |
DN 100 |
DN 125 |
DN 150 |
DN 200 |
DN 250 |
DN 300 |
|
L1 |
190 |
210 |
225 |
250 |
250 |
340 |
400 |
460 |
540 |
|
H1 |
132 |
142 |
150 |
160 |
160 |
192 |
220 |
252 |
280 |
|
H2 |
160 |
166 |
176 |
195 |
195 |
235 |
266 |
305 |
350 |
|
B1 |
83 |
93 |
100 |
110 |
110 |
143 |
170 |
203 |
230 |
|
B2 |
133 |
143 |
170 |
180 |
180 |
213 |
240 |
273 |
400 |
進口低阻力倒流防止器安裝示意圖--



