類別:美國進口閥門 ? 發布時間:1970-01-01 08:00 ? 瀏覽: 次

進口高壓雙筒過濾器描述--
1.ALSO高壓雙筒過濾器由上蓋和筒體組成,在系統不關閉的情況下通過三通切換球閥完成雙桶切換,以便完成檢修更換新濾芯
2.標準配置為球式切換和可接污染發訊器的接口,污染發訊器用于過濾器濾芯被污染物堵塞時發出訊號指示,以便更換濾芯,確保可靠的功能及保護易污染液壓元件和設備免受磨損。
3.濾芯采用玻璃纖維材料折疊而成,具有過濾精度高,通油量大,壓損小,納污能量大
4.本產品通常安裝在管路中適用于礦物油, 潤滑油, 液壓油,抗燃油及可迅速分解的生物油及水等介質

濾芯最大允許壓差—
BN3HC:25bar
P/HC:10 bar
W/HC:30 bar
V:210 bar
BW/AM:10 bar
AM:10 bar
進口高壓雙筒過濾器參數--
過濾精度:玻璃纖維3、5、10、20μm,金屬網25/50/100/200μm
最高流量:600L/min
溫度范圍:-10℃….+100℃
密封:丁晴橡膠或氟橡膠
污染發訊器的設定壓力△Pa=8bar±10%
過濾精度μm:BN/HC,BH/HC,V-3,5,10,20; W/HC—25,50,100,200
殼體材料: 球墨鑄鐵, 碳鋼
連接尺寸:G1/2-G2
污染發訊器形式--
1. 污染發訊器接口帶塑料螺塞
2. 污染發訊器接口帶鋼制螺塞
3. 目視發訊器
4. 電氣發訊器
5. 目視/電氣發訊器
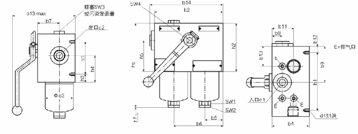
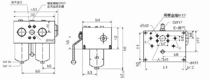
進口高壓雙筒過濾器外形尺寸--
DFDK30-280


DFDK330-660

DFDK990-1320




