類別:美國進口閥門 ? 發布時間:1970-01-01 08:00 ? 瀏覽: 次

進口水用減壓閥
描述--
ALSO可調式減壓穩壓閥的結構有膜片式和活塞式兩類結構,一般用于高層建筑、生活給水、消防及工業給水系統,將進口壓力減至需要的出口壓力的功能。
進口水用減壓閥
原理--
ALSO進口可調式減壓穩壓閥利用管路中的水壓自動操作主閥瓣的上下移動,控制閥門的開度,調節下游壓力,使下游壓力維持在導閥彈簧設定值上,當下游壓力超過設定值時,減壓閥將自動關閉,不管進口壓力怎樣波動,都可輸出穩定的出口壓力。不管下游流量怎樣變換,都能維持出口穩定在導閥設定值上。同時通過導閥節的出口壓力調節范圍大,可達到閥前壓力10-80%。
進口水用減壓閥
結構特點-
1.壓力控制穩定可靠。導閥、主閥連續工作,下游壓力變化連續、平穩,不受進口壓力影響;
2.操作方便。工作壓力調定后,當上游壓力或流量變動時主閥自動調節,穩定了下游壓力。
3.閥體采用了全通道、直流式、流線型設計。水力損失小,節能效果好。
隔膜式--

1.采用不同用途可以將兩個腔室被此隔離或相通,以實現緩開、緩閉或速閉等輔助功能,在一定程度上阻礙水錘的產生或緩解水錘的力度,保護閥后的其他設備不受損壞。除此之外,閥蓋與上腔室連為一體,使得閥蓋、上腔室、閥桿、閥盤成為整體,只要松開閥體與閥蓋的連接螺栓,即可將其一并取出方便維修及更換易損件。

2.采用閥桿兩頭導向的結構,中段長節距導向,避免了閥蓋和閥座上的導向孔因加工或安裝不同心,導致閥桿運動受阻,易卡死現象,中段導向套與上閥體整體繞鑄,加工精度得到保證,同時在與閥桿的接觸面間加一銅質襯套,保證閥桿表面不被唐損,擦毛,使閥桿運動自如、平穩靈活、可靠
活塞式--

1.采用小活塞缸式,磨擦力小,運動靈活,活塞用雙道O型密封環,閥門關閉時間可在3-60秒內任意調節。

2.采用主副密封結構,主密封閥隨著介質的壓力大小自動打開或關閉。副密封閥盤受到控制室介質的影響,隨水錘峰值到達時間的長短自行關閉,從而消除水擊現象。
進口水用減壓閥 技術參數--
|
公稱壓力 (MPa) |
試驗壓力(MPa) |
調壓范圍 |
適用溫度 |
適用介質 |
|
|
殼體 |
密封 |
||||
|
1.0 |
1.5 |
1.1 |
0.05~0.8 MPa 0.12~1.4 MPa 0.12~1.6 MPa |
≤80℃ |
水 |
|
1.6 |
2.4 |
1.76 |
|||
|
2.5 |
3.75 |
2.75 |
|||
進口水用減壓閥 流量曲線圖--

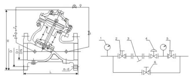
進口水用減壓閥 安裝示意圖--
1、壓力表 2、彈性座封閘閥 3、過濾器 4、可調試減壓穩壓閥 5、彈性座封閘閥

進口水用減壓閥 外形尺寸--

| DN | L | H | D | D1 | n-d | ||||||
| 1.0MPa | 1.6MPa | 2.5MPa | 1.0MPa | 1.6MPa | 2.5MPa | 1.0MPa | 1.6MPa | 2.5MPa | |||
| 50 | 200 | 300 | 165 | 165 | 165 | 125 | 125 | 125 | 4-18 | 4-18 | 4-18 |
| 65 | 210 | 337 | 185 | 185 | 185 | 145 | 145 | 145 | 4-18 | 4-18 | 8-18 |
| 80 | 235 | 467 | 200 | 200 | 200 | 160 | 160 | 160 | 8-18 | 8-18 | 8-18 |
| 100 | 275 | 520 | 220 | 220 | 220 | 180 | 180 | 190 | 8-18 | 8-18 | 8-22 |
| 125 | 310 | 580 | 250 | 250 | 235 | 210 | 210 | 220 | 8-18 | 8-18 | 8-26 |
| 150 | 345 | 640 | 285 | 285 | 270 | 240 | 240 | 250 | 8-22 | 8-22 | 8-26 |
| 200 | 415 | 778 | 340 | 340 | 300 | 295 | 295 | 310 | 8-22 | 12-22 | 12-26 |
| 250 | 485 | 889 | 395 | 405 | 360 | 350 | 355 | 370 | 12-22 | 12-26 | 12-30 |
| 300 | 540 | 1010 | 445 | 460 | 425 | 400 | 410 | 430 | 12-22 | 12-26 | 16-30 |
| 350 | 595 | 1037 | 505 | 520 | 485 | 460 | 470 | 490 | 16-22 | 16-26 | 16-33 |
| 400 | 655 | 1264 | 565 | 580 | 555 | 515 | 525 | 550 | 16-26 | 16-30 | 16-36 |
| 450 | 710 | 1294 | 615 | 640 | 620 | 565 | 585 | 600 | 20-26 | 16-30 | 20-36 |
| 500 | 760 | 1324 | 670 | 715 | 670 | 620 | 650 | 660 | 20-26 | 20-33 | 20-36 |
| 600 | 850 | 1600 | 780 | 840 | 730 | 725 | 770 | 20-30 | 20-36 | ||
| 700 | 950 | 1750 | 895 | 910 | 840 | 840 | 24-30 | 24-36 | |||
| 800 | 1120 | 1900 | 1015 | 1025 | 950 | 950 | 24-33 | 24-39 | |||


