產品中心
進口高壓板式球閥
類別:美國進口閥門 ? 發布時間:1970-01-01 08:00 ? 瀏覽: 次

進口高壓板式球閥性能--
ALSO高壓板式球閥用來截斷液壓回路的液流,旋轉控制芯軸使球體從開啟位置切換到關閉位置,系統壓力將球體推向密封碗的無壓制側并無泄漏地切斷液流。
進口高壓板式球閥用途--
本產品廣泛應用于機床、系統流程、機械設備、鋼鐵冶金、環保、液壓油路、船舶設備等工業部門的自動化控制系統中,選用不同的材質,可分別適用于水、氣體、油品等多種介質。
進口高壓板式球閥特征--
出口側密封;
浮動球,全流量流通;
耐高壓,啟閉迅速,扭矩低;
通過控制手柄芯軸上的指示槽位觀察開關位置;
通過限位銷和限位墊限定開關位置;
無泄漏,不需要手工重調密封件;
進口高壓板式球閥參數--
通徑尺寸:1/4-2”;
公稱壓力:PN315~PN500Bar;
通徑尺寸:1/4-2”;
閥體材料:碳鋼、不銹鋼;
工作溫度:-20~+100℃ ~+170℃;
密封材料:丁晴橡膠、氟橡膠;
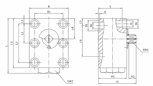
進口高壓板式球閥外形尺寸--





