產品中心
進口一體式高溫球閥
類別:美國進口閥門 ? 發布時間:1970-01-01 08:00 ? 瀏覽: 次

進口一體式高溫球閥描述--
ALSO一體式高溫球閥為整體結構,杜絕外漏,被稱為高級蒸汽閥門、導熱油專用閥門,已在石油、化工、冶金、制藥、電力、食品等許多領域中得到極為廣泛應用
進口一體式高溫球閥優點--
1.操作簡便,以九十度轉動輕松地完成全開或全關的啟閉功能。
2.優質的密封圈材料,具有耐高溫 、耐高壓、耐磨、耐腐蝕之性能。
3.閥體內通道平整光滑,暢通無阻地輸送粘性流體,漿液以及固體顆粒等介質。
4.閥座、閥桿的密封性之密封力是隨著介質流量的增高而增大。
5.耐高溫、高壓及耐腐蝕、抗磨損
6.具有性能穩定、密封可靠、磨擦力小、開關輕便
進口一體式高溫球閥零部件材料--
| 序號 | 零部件名稱 | 材料 |
| 1 | 閥體 | 球墨鑄鐵、碳素鋼、鑄不銹鋼 |
| 2 | 密封圈 | (M/F)高強度耐磨碳結石墨≤300℃ (PPL)對蒞聚苯、溫度≤350℃ |
| 3 | 球 | 不銹鋼 |
| 4 | 填料 | 聚四氟乙烯 |
| 5 | 填料壓蓋 | QT450-10球墨鑄鐵 |
| 6 | 閥桿 | 碳素鋼、鉻不銹鋼 |
| 7 | 手柄 | 碳鋼 |
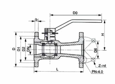
進口一體式高溫球閥外形尺寸--

| 型號 | 規格 | 尺寸 | |||||||
| L | D | D 1 | D 2 | z-φd | H | b | |||
| PN16 | 15 | 130 | 95 | 65 | 45 | 4-14 | 85 | 14 | |
| 20 | 150 | 105 | 75 | 55 | 4-14 | 95 | 16 | ||
| 25 | 160 | 115 | 85 | 65 | 4-14 | 103 | 16 | ||
| 32 | 180 | 135 | 100 | 78 | 4-18 | 105 | 18 | ||
| 40 | 200 | 145 | 110 | 85 | 4-18 | 120 | 18 | ||
| 50 | 230 | 160 | 125 | 100 | 4-18 | 195 | 20 | ||
| 65 | 290 | 180 | 145 | 120 | 4-18 | 195 | 20 | ||
| 80 | 310 | 195 | 160 | 135 | 8-18 | 215 | 22 | ||
| 100 | 350 | 215 | 180 | 155 | 8-18 | 253 | 24 | ||


