產品中心
進口對夾式球閥
類別:美國進口閥門 ? 發布時間:1970-01-01 08:00 ? 瀏覽: 次

進口對夾式球閥描述--
ALSO超薄型球閥關閉件球體繞閥體中心線作旋轉來達到開啟、關閉的一種閥門,密封件嵌于不銹鋼閥座內,金屬閥座尾端設有彈簧,當密封面磨損或者燒毀時,在彈簧作用下推動閥座與球體形成金屬密封。其具有獨特的自動泄壓功能,當閥門中腔介質壓力超過彈簧預緊力,出口端閥座后退脫離球體,達到自動泄壓效果,泄壓后閥座自動復位
進口對夾式球閥技術參數--
| 閥體形式 | 直通鑄造超短閥 |
| 公稱通徑 | DN15~150mm |
| 公稱壓力 | 國標PN1.6、2.5、4.0、6.4 MPa;美標ANSI 150、300LB ;日標JIS 10、20、30K |
| 法蘭標準 | JIS、ANSI、GB、JB、HG等 |
| 連接形式 | 法蘭式、對夾式 |
| 壓蓋型式 | 螺母壓緊式 |
| 密封填料 | V型聚四氟乙烯填料、柔性石墨填料等 |
進口對夾式球閥設計標準--
設計和制造標準按照: DIN3357 EN 12516-1;
連接端尺寸按照:DIN EN 1092-1;
檢驗和測試按照: DIN3230 EN12266;
防火設計按照:API607 ISO 10497;
平臺標準:ISO5211
進口對夾式球閥典型應用--
適用于水、溶劑、酸和天然氣等一般工作介質,而且還適用于工作條件惡劣的介質,如氧氣、過氧化氫、甲烷和乙烯等,在各行業得到廣泛的應用。
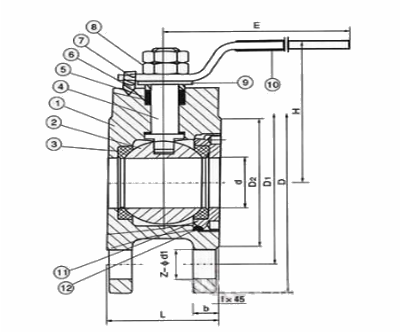
進口對夾式球閥結構圖--

| 序號 NO |
零件名稱 | 材質 | |
| 1 | 閥體 | 不銹鋼CF8M/CF8 | 碳鋼WCB |
| 2 | 球 | 不銹鋼316/304 | 不銹鋼SS304 |
| 3 | 密封墊 | 聚四氟乙烯PTFE | 聚四氟乙烯PTFE |
| 4 | 閥桿 | 不銹鋼316/304 | 不銹鋼SS304 |
| 5 | 填料 | 聚四氟乙烯PTFE | 聚四氟乙烯PTFE |
| 6 | 定位鎖 | 不銹鋼304 | 不銹鋼SS304 |
| 7 | 手柄 | 不銹鋼304 | 不銹鋼SS304 |
| 8 | 閥桿螺母 | 不銹鋼304 | 不銹鋼SS304 |
| 9 | 填料壓蓋 | 不銹鋼304 | 不銹鋼SS304 |
| 10 | 手柄套 | 塑料 | 塑料 |
| 11 | 密封瓶帽 | 不銹鋼316/304 | 不銹鋼SS304 |
| 12 | 墊圈 | 聚四氟乙烯PTFE | 聚四氟乙烯PTFE |
| SIZE | 1/2 | 3/4 | 1 | 1 1 / 4 | 1 1 / 2 | 2 | 2 1 / 2 | 3 | 4 | 5 | 6 | 8 |
| d | 15 | 19 | 23.5 | 30 | 36 | 45 | 58 | 67 | 76 | 100 | 125 | 195 |
| L | 32 | 38.5 | 45 | 55 | 62 | 72 | 95 | 120 | 145 | 200 | 225 | 275 |
| D | 95 | 105 | 115 | 135 | 145 | 160 | 180 | 195 | 215 | 245 | 280 | 335 |
| D1 | 65 | 75 | 85 | 100 | 110 | 125 | 145 | 160 | 180 | 210 | 240 | 295 |
| D2 | 45 | 55 | 65 | 78 | 85 | 100 | 120 | 135 | 155 | 185 | 210 | 265 |
| H | 62 | 70 | 79 | 86 | 92 | 102 | 158 | 172 | 187 | 200 | 240 | 278 |
| E | 110 | 125 | 135 | 150 | 150 | 180 | 250 | 300 | 350 | 650 | 840 | 1000 |
| b | 14 | 14 | 16 | 16 | 18 | 20 | 22 | 24 | 24 | 26 | 26 | 28 |
| z-d1 | 4-14 | 4-14 | 4-14 | 4-18 | 4-18 | 4-18 | 4-18 | 8-18 | 8-18 | 8-18 | 8-23 | 12-20 |
| f | 2 | 2 | 2 | 3 | 3 | 3 | 3 | 3 | 3 | 3 | 3 | 3 |


