產品中心
進口三片式卡箍球閥
類別:美國進口閥門 ? 發布時間:1970-01-01 08:00 ? 瀏覽: 次

進口三片式卡箍球閥
用途--
ALSO三片式卡箍球閥具有結構長度短、重量輕、安裝方便、節省材料等顯著的優點,適,用于截斷或接通管路中的介質,選用不同的材質,可分別適用于水、蒸汽、油品、硝酸、醋酸等多種介質。
進口三片式卡箍球閥
設計特點--
球閥根據標準ASME B16.34設計
結構簡單,密封性能好,扭矩小
精密鑄造,固溶化處理
帶鎖裝置
全流量設計
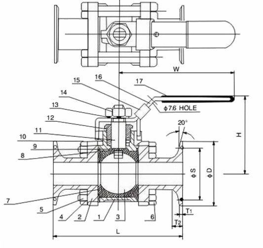
進口三片式卡箍球閥 結構圖--

|
序號
|
零件名稱
|
材質
|
|
1
|
閥體
|
不銹鋼CF8M
|
|
2
|
閥蓋
|
不銹鋼CF8M
|
|
3
|
球體
|
不銹鋼SS316
|
|
4
|
螺栓墊片
|
不銹鋼SS304
|
|
5
|
螺栓螺母
|
不銹鋼SS304
|
|
6
|
螺栓
|
不銹鋼SS304
|
|
7
|
密封圈
|
聚四氟乙烯PTFE
|
|
8
|
閥體密封圈
|
聚四氟乙烯PTFE
|
|
9
|
止推墊圈
|
聚四氟乙烯PTFE
|
|
10
|
閥桿密封墊
|
聚四氟乙烯PTFE
|
|
11
|
閥桿
|
不銹鋼SS316
|
|
12
|
填料壓蓋螺母
|
不銹鋼SS304
|
|
13
|
手柄螺母
|
不銹鋼SS304
|
|
14
|
手柄墊圈
|
不銹鋼SS304
|
|
15
|
掛鎖裝置
|
不銹鋼SS304(QQTION)
|
|
16
|
手柄
|
不銹鋼SS304
|
|
17
|
手柄套
|
塑料PLASTIC
|
|
規格
|
1/2〞
|
3/4〞
|
1〞
|
11/4〞
|
11/2〞
|
2〞
|
21/4〞
|
3〞
|
4〞
|
|
PORT
|
9.6
|
15.9
|
22.5
|
28.5
|
34.9
|
47.5
|
60.2
|
72.9
|
97.4
|
|
L
|
75
|
90
|
100
|
110
|
125
|
150
|
190
|
220
|
270
|
|
D
|
25.0
|
25.0
|
50.4
|
50.4
|
50.4
|
63.9
|
77.4
|
90.0
|
118.9
|
|
S
|
20.24
|
20.24
|
43.60
|
43.60
|
43.60
|
56.3
|
70.60
|
83.30
|
110.30
|
|
H
|
64
|
67
|
83
|
89
|
100
|
108
|
150
|
161
|
180
|
|
T1
|
-
|
-
|
2.85
|
2.85
|
2.85
|
2.85
|
2.85
|
2.85
|
2.85
|
|
T2
|
3.63
|
3.63
|
4.75
|
4.75
|
-
|
-
|
-
|
-
|
-
|
|
E
|
125
|
125
|
140
|
140
|
200
|
200
|
250
|
250
|
290
|


