產品中心
進口電動三通球閥
類別:美國進口閥門 ? 發布時間:1970-01-01 08:00 ? 瀏覽: 次

進口電動三通球閥描述--
ALSO電動三通球閥由回轉型角行程電動執行器和法蘭三通球閥結構組成,屬旋轉類型高性能開關閥類,接受工業自動化控制(DCS, PLC系統)儀表來源的電流信號或電壓信號的輸入輸出,可實現對工藝管路中流體介質進行合流與分流,是對閥門實現遠控、集控和自控必不可少的驅動裝置。
進口電動三通球閥主要零件材料--
| 零件名稱 | 材料名稱 | |||
|---|---|---|---|---|
| 閥體 | WCB | 304(CF8) | 316(CF8M) | 316L(CF3M) |
| 球體 | 2Cr13+氮化處理 | 304 | 316 | 316L |
| 閥桿 | 2Cr13 | 304 | 316 | 316L |
| 密封圈 | 聚四氟乙烯(PTFE)、增強聚四氟乙烯(PPL)、對位聚苯、柔性石墨 | |||
| 適用介質 | 水、氣體、蒸汽、油品等 | 硝酸等腐蝕性介質 | 醋酸等腐蝕介質 | 尿素等腐蝕性介質 |
三通球閥結構--
1.L型三通球閥為兩閥座密封結構,具有結構緊湊、外型美觀、密封性能好,能實現對管道中介質流向的切換。也能使相互垂直的兩個通道連通或關閉。
2.T型三通球閥為四閥座密封結構,具有造型美觀、結構緊湊合理,不僅可實現介質流向的切換,也可使三個通道相互連通,同時也可關閉任一通道,使另外兩個通道連通,靈活控制管路中介質的合流或分流。
進口電動三通球閥技術參數及性能--
| 公稱通徑 DN(mm) | 15 | 20 | 25 | 32 | 40 | 50 | 65 | 80 | 100 | 125 | 150 | 200 |
|---|---|---|---|---|---|---|---|---|---|---|---|---|
| 允許壓差(MPa) | ≤公稱壓力 | |||||||||||
| 動作范圍 | 0~90° | |||||||||||
| 閥體形式 | 二段分體式鑄造閥體,三段分體式鑄造閥體 | |||||||||||
| 閥蓋形式 | 整體式 | |||||||||||
| 壓蓋型式 | 螺栓壓緊式 | |||||||||||
| 密封填料 | V型聚四氟乙烯填料、含浸聚四氟乙烯石棉填料、石棉紡織填料、石墨填料 | |||||||||||
| 連接方式 | 法蘭式、螺紋式(適用于1/2"~2") | |||||||||||
| 閥芯形式 | 三通球型閥芯 | |||||||||||
| 流量特性 | 近似快開特性 | |||||||||||
| 泄露量Q | 軟密封:零泄露;金屬密封:按GB/T4213-92,小于額定KV0.01% | |||||||||||
| 基本誤差 | ±1% | |||||||||||
| 回差 | ±1% | |||||||||||
| 死區 | ≤1% | |||||||||||
進口電動三通球閥控制方式--
三通球閥分L型和T型,L型三通球閥適用于介質流向的切換,能使相互垂直的兩個通道連通:T型電動三通球閥適用于介質的分流、合流或流向 切換,T型孔道可以使三個通道互相連通或使其中兩個通道連通,電動三通球閥一般采用三個閥座結構,亦可根據用戶要求采用四閥座結構

進口電動三通球閥電裝性能特點--
電壓:AC220/380/110V、DC24V等;
開關型、調節型(4-20mA);
普通或防爆要求;
開關機械限位,開關位置可微調;
可手動操作;
可視指示器;
| 執行器類別 | JO系列執行器參數 | 3610R系列執行器參數 | JHQ系列執行器參數 |
|---|---|---|---|
| 電源電壓 | 標準:220V AC單相 可選:110V AC 單相、380/440V AC 三相、24V/110V/220V AC | ||
| 輸出力矩 | 50N·M~2000N·M | 50N·M~1500N·M | 50N·M~3000N·M |
| 動作范圍 | 0~90° 0~360° | 0~90° | 0~90°、0°~270°可選 |
| 輸入信號 | 開關量、4~20mA模擬量 | 4~20mA模擬量信號 | 開關量、4~20mA模擬量信號 |
| 反饋信號 | 開關量、4~20mA模擬量 | 4~20mA模擬量信號 | 開關量、4~20mA模擬量信號 |
| 動作時間 | 15秒/30秒/60秒 | 10秒/15秒/30秒 | 18S~112S |
| 保護裝置 | 過熱保護 | 過載保護 | 內置過熱保護、過載保護 |
| 環境溫度 | -30°~60° | -30°~60° | -20℃~+70℃ |
| 手動操作 | 同附帶手柄操作 | 同附帶手柄操作 | 機械離合機構,配手輪操作 |
| 機械限位 | 電氣、機械二重限位 | 電氣、機械二重限位 | 2個外部調整螺栓 |
| 防護等級 | IP65 | IP55 | IP65、IP67、可定制IP68 |
| 防爆等級 | 無防爆 | ExdⅡ BT4 | ExdⅡ BT4,ExdⅡ CT6 |
| 位置測量 | 可選裝開關或電位計 | 比例控制單元 | 電位計、比例控制單元 |
| 驅動電機 | 8W/E | AC可逆電機 | 鼠籠式異步電機 |
| 進線接口 | PE1/2〞進線線鎖 | 2-PF 1/2〞進線線鎖 | 2個 PF 3/4” |
| 殼體材料 | 鋁合金 | 鋼,鋁合金 | 鋼,鋁合金,鋁青銅,聚碳酸脂 |
| 外涂層 | 干粉,環氧聚酯,具有超強防腐功能 | ||
| 采用獨特的電制動線路,因而定位精度高,執行機構靈敏,啟動停止迅速,運行平穩。同時具有抗干擾、抗浪涌電壓、防擊穿能力強的特點 | |||
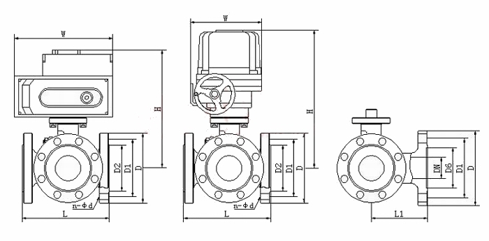
進口電動三通球閥外形尺寸--
電動法蘭三通球閥

| 公稱通徑 DN(mm) | 15 | 20 | 25 | 32 | 40 | 50 | 65 | 80 | 100 | 125 | 150 | 200 | 250 | 300 |
|---|---|---|---|---|---|---|---|---|---|---|---|---|---|---|
| L | 150 | 150 | 180 | 200 | 220 | 240 | 260 | 280 | 320 | 380 | 440 | 550 | / | / |
| L1 | 75 | 75 | 90 | 100 | 110 | 120 | 130 | 140 | 160 | 190 | 220 | 275 | / | / |
| H、A | 由于閥門密封選擇及溫度選擇不同,執行器尺寸需根據實際配置 | |||||||||||||
| PN1.6MPa法蘭連接尺寸 | ||||||||||||||
| D | 95 | 105 | 115 | 140 | 150 | 165 | 185 | 200 | 220 | 250 | 285 | 340 | 405 | 460 |
| D1 | 65 | 75 | 85 | 100 | 110 | 125 | 145 | 160 | 180 | 210 | 240 | 295 | 355 | 410 |
| D2 | 46 | 56 | 65 | 76 | 84 | 99 | 118 | 132 | 156 | 184 | 211 | 266 | 319 | 370 |
| b | 14 | 16 | 16 | 18 | 18 | 20 | 22 | 24 | 24 | 26 | 28 | 24 | 26 | 28 |
| f | 2 | 2 | 2 | 2 | 2 | 2 | 2 | 2 | 2 | 2 | 2 | 2 | 2 | 2 |
| n-φd | 4-14 | 4-14 | 4-14 | 4-18 | 4-18 | 4-18 | 4-18 | 8-18 | 8-18 | 8-18 | 8-22 | 12-22 | 12-26 | 12-26 |
| PN2.5MPa法蘭連接尺寸 | ||||||||||||||
| D | 95 | 105 | 115 | 140 | 150 | 165 | 185 | 200 | 235 | 270 | 300 | 360 | 425 | 485 |
| D1 | 65 | 75 | 85 | 100 | 110 | 125 | 145 | 160 | 190 | 220 | 250 | 310 | 370 | 430 |
| D2 | 46 | 56 | 65 | 76 | 84 | 99 | 118 | 132 | 156 | 184 | 211 | 274 | 330 | 389 |
| b | 14 | 16 | 16 | 18 | 18 | 20 | 22 | 24 | 24 | 26 | 28 | 34 | 38 | 42 |
| f | 2 | 2 | 2 | 2 | 2 | 2 | 2 | 2 | 2 | 2 | 2 | 2 | 2 | 2 |
| n-φd | 4-14 | 4-14 | 4-14 | 4-18 | 4-18 | 4-18 | 8-18 | 8-18 | 8-22 | 8-26 | 8-26 | 12-26 | 12-30 | 16-30 |
電動內螺紋三通球閥

| 通徑DN | 英寸" | 連接尺寸 | |||||||
|---|---|---|---|---|---|---|---|---|---|
| mm | inch (G) | L | L1 | H(防爆型) | H(配標準型) | A(配防爆型) | A(標準型) | A1(配防爆型) | A1(配標準型) |
| 10 | 3/8 | 60 | 30 | 260 | 130 | 265 | 161 | 137 | 40 |
| 15 | 1/2 | 72 | 36 | 265 | 130 | 265 | 161 | 137 | 40 |
| 20 | 3/4 | 85 | 42 | 280 | 135 | 265 | 161 | 137 | 40 |
| 25 | 1 | 91 | 46 | 290 | 139 | 265 | 161 | 137 | 40 |
| 32 | 11/4 | 110 | 55 | 310 | 158 | 265 | 197 | 137 | 40 |
| 40 | 11/2 | 122 | 61 | 340 | 165 | 265 | 197 | 137 | 40 |
| 50 | 2 | 145 | 72 | 360 | 202 | 265 | 197 | 137 | 40 |


