類別:美國進口閥門 ? 發布時間:1970-01-01 08:00 ? 瀏覽: 次

進口電動襯膠蝶閥描述--
ALSO電動襯膠蝶閥有開關型和調節型二種,由回轉型角行程電動執行器和襯膠蝶閥配套,輸入控制信號(4-20mA, 0-10mA或1-5VDC)及單相電源即可控制運轉
進口電動襯膠蝶閥性能規范--
| 公稱通徑DN(mm) | DN50~1200 | |||
|---|---|---|---|---|
| 公稱壓力 | PN(MPa) | 0.6 | 1.0 | 1.6 |
| 試驗壓力 | 強度試驗 | 0.9 | 1.5 | 2.4 |
| 密封試驗 | 0.66 | 1.1 | 1.76 | |
| 低壓氣密試驗 | 0.5~0.7 | |||
| 適用介質 | 空氣、水、污水、煤氣、油品、耐堿、鹽性能,耐弱酸侵蝕等 | |||
進口電動襯膠蝶閥特點--
采用襯膠無銷,保證了介質與金屬完全隔離,提高了產品的可靠性。
密封面耐磨性好(橡膠耐磨性是銅的七倍)。
可以任何位置安裝,維修方便。
密封件可以更換,密封性能可靠達到雙向密封零泄漏。
橡膠材料無任何毒性,并且抗菌、抗霉。
進口電動襯膠蝶閥零件材料--
| 零件名稱 | 材料 |
|---|---|
| 閥體 | 球墨鑄鋼+NBR、鑄鋼+NBR、不銹鋼+NBR |
| 蝶板 | 灰鑄鐵、球墨鑄鋼、鑄鋼、不銹鋼及特殊材料 |
| 閥桿 | 2Cr13、不銹鋼 |
| 填料 | O型圈、柔性石墨 |
進口電動襯膠蝶閥結構及用途--
中線結構,全襯或半襯設計彈性閥座配高精度蝶板確保零泄漏, 閥桿底、中、上部配有襯套,用于支撐和旋轉滑動,保持最小磨擦力,體積小,啟閉迅速. 襯膠蝶閥具有優良的防腐、(耐堿、鹽性能,耐弱酸侵蝕)耐磨、減磨性能,(比普通蝶閥使用壽命可明顯延長)而且具有無毒、抗菌、防霉等特點,更有操作力矩小,(比普通有銷蝶閥降低百分之四十)維修方便,外形美觀等突出優點。
進口電動襯膠蝶閥電裝參數--
1.防護等級為IP67,NEMA4和6,并有IP68型供選擇。
2.全封閉式鼠籠式電機,體積小,扭矩大,慣性力小,絕緣等級為F級,內置熱保護開關。
3.手動結構不通電時使用,扳動手柄可進行手動操作。不用手動時,將板手置于板手夾內.方便。
4.指示器安裝在中心軸上,可以觀察閥門位置。透鏡采用凸出鏡設計,不積水,觀察更方便。
5.干操器用來控制溫度,防止由于溫度和天氣變化導致執行器內部水分凝結。
6.密封一密封性好,標準產品防護等級是1P67,并可選IP68防護等級。
7.機械、電子雙重限位。
8.精密的蝸輪蝸桿機構可高效傳輸大扭距,效率高,噪音低,有自鎖功能,防止反轉。
9.防脫螺栓一拆除外殼時,螺栓附在殼體上,不會脫落。
10.安裝尺寸符合IS0標準,可以垂直安裝,也可以水平安裝。
11.控制線路符合單相或三相電源標準,線路布置緊湊合理。
| 執行器類別 | JO系列執行器參數 | 3610R系列執行器參數 | HQ系列執行器參數 |
|---|---|---|---|
| 電源電壓 | 標準:220V AC單相 可選:110V AC 單相、380/440V AC 三相、24V/110V/220V AC | ||
| 輸出力矩 | 50N·M~2000N·M | 50N·M~1500N·M | 50N·M~3000N·M |
| 動作范圍 | 0~90° 0~360° | 0~90° | 0~90°、0°~270°可選 |
| 控制方式 | 開關到位燈(開關兩位控制)、無源觸點信號、1/5K電位計、智能調節(4~20mA模擬量信號控制) | ||
| 動作時間 | 15秒/30秒/60秒 | 10秒/15秒/30秒 | 18S~112S |
| 保護裝置 | 過熱保護 | 過載保護 | 內置過熱保護、過載保護 |
| 環境溫度 | -30°~60° | -30°~60° | -20℃~+70℃ |
| 手動操作 | 同附帶手柄操作 | 同附帶手柄操作 | 機械離合機構,配手輪操作 |
| 機械限位 | 電氣、機械二重限位 | 電氣、機械二重限位 | 2個外部調整螺栓 |
| 防護等級 | IP65 | IP55 | IP65、IP67、可定制IP68 |
| 防爆等級 | 無防爆 | ExdⅡ BT4 | ExdⅡ BT4,ExdⅡ CT6 |
| 位置測量 | 可選裝開關或電位計 | 比例控制單元 | 電位計、比例控制單元 |
| 驅動電機 | 8W/E | AC可逆電機 | 鼠籠式異步電機 |
| 進線接口 | PE1/2〞進線線鎖 | 2-PF 1/2〞進線線鎖 | 2個 PF 3/4” |
| 殼體材料 | 鋁合金 | 鋼,鋁合金 | 鋼,鋁合金,鋁青銅,聚碳酸脂 |
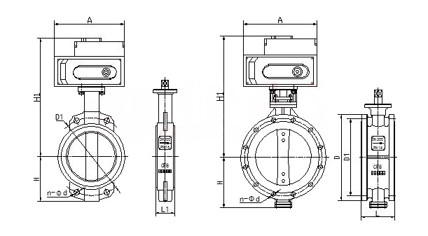
進口電動襯膠蝶閥外形尺寸--

| 公稱通經(DN) | 主要尺寸 | 法蘭尺寸 | ||||||||
|---|---|---|---|---|---|---|---|---|---|---|
| L | L1 | H | H1 | 1.0MPa | 1.6MPa | |||||
| D | D1 | n-Фd | D | D1 | n-Фd | |||||
| 50 | 108 | 43 | 63 | 530 | 165 | 125 | 4-18 | 165 | 125 | 4-18 |
| 65 | 112 | 46 | 70 | 530 | 185 | 145 | 4-18 | 185 | 145 | 4-18 |
| 80 | 114 | 46 | 83 | 565 | 200 | 160 | 4-18 | 200 | 160 | 8-18 |
| 100 | 127 | 52 | 105 | 600 | 220 | 180 | 8-18 | 220 | 180 | 8-18 |
| 125 | 140 | 56 | 115 | 640 | 250 | 210 | 8-18 | 250 | 210 | 8-18 |
| 150 | 140 | 56 | 137 | 705 | 285 | 240 | 8-22 | 285 | 240 | 8-22 |
| 200 | 152 | 60 | 164 | 775 | 340 | 295 | 8-22 | 340 | 295 | 12-22 |
| 250 | 165 | 68 | 206 | 945 | 395 | 350 | 12-22 | 405 | 355 | 12-26 |
| 300 | 178 | 78 | 230 | 1070 | 445 | 400 | 12-22 | 460 | 410 | 12-26 |
| 350 | 190 | 78 | 248 | 1140 | 505 | 460 | 16-22 | 520 | 470 | 12-26 |
| 400 | 216 | 102 | 289 | 1210 | 565 | 515 | 16-26 | 580 | 525 | 16-26 |
| 450 | 222 | 114 | 320 | 1335 | 615 | 565 | 20-26 | 640 | 585 | 16-30 |
| 500 | 229 | 127 | 342 | 1415 | 670 | 620 | 20-26 | 715 | 650 | 20-30 |
| 600 | 267 | 154 | 413 | 1605 | 780 | 725 | 20-30 | 840 | 770 | 20-33 |


