產品中心
進口氣動三片式球閥
類別:進口氣動閥門 ? 發布時間:2020-12-30 14:16 ? 瀏覽: 次

格林巴赫托普,巴赫BACH進口泵閥品牌。
格林巴赫托普,專注于氣動三片式球閥 等材質制造商,主要產品:水泵,閥門,水處理設備等系列產品的制造、銷售、售后服務,氣動三片式球閥 等材質產品應用在化工、石化、石油、造紙、采礦、電力、液化氣、食品、制藥、給排水等領域。
描述
● 產品概述及用途
氣動三片式球閥體積小,閥體是由三部分閥殼組裝而成,并且由四只較長螺栓從兩端夾住中間閥體與閥球而成。氣動三片式球閥的優點是維修拆卸時不用拆卸管路螺紋,而直接拆卸四只螺栓,閥體中間部分既可取出。工作原理也是通過氣動執行器90度的旋轉來帶動球體的旋轉以達到介質的流通與阻斷。執行器與閥體的直接連接減少了發生故障的機率。適用于輕工機械體積小空間窄的場合。
● 特點與標準
具有結構緊湊、體積精小、運行可靠、密封性好、維修容易、安裝方便、適應性強等優點。
耐火,防靜電處理,閥桿防爆出裝置,保證系統安全。
高平臺設計符合ISO5211標準,可以ISO5211標準執行器,直接連接。互換性好
硅溶膠精密鑄造閥體,結構緊密,尺寸精度高。外觀精美。
● 主要性能參數
| 氣動執行器 | 雙作用、單作用常閉式、單作用常開式 |
| 附件可選 | 換向電磁閥、限位開關、空氣過濾減壓閥、電氣定位器、手輪機構 |
| 電壓 | AC220V、AC110V、AC380V、DC12V、DC24V、DC110V |
| 公稱通徑 | DN15-100mm |
| 公稱壓力 | 1.6MPa-6.4MPA |
| 適用溫度 | -30℃~450℃ |
| 連接方式 | 法蘭式,螺紋式,焊接式,卡箍快裝式 |
| 閥體結構 | O型浮動球 |
| 閥體材質 | WCB、304、316、316L等 |
| 閥板材質 | WCB、304、316、316L等 |
| 閥座襯里 | PTFE、PPL、硬密封等 |
| 適用介質 | 蒸汽、水液,氣體等 |
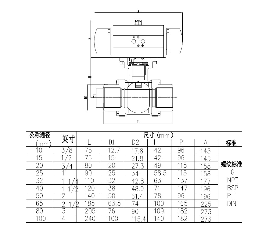
● 氣動三片式球閥尺寸圖

您可能還會喜歡…
-
卡箍式氣動三片式球閥
閱讀更多 -
對焊式氣動三片式球閥
閱讀更多
聲明:本產品介紹中所有文字、數據、圖片考慮到使用工況條件不同,難免會產生誤差、不恰當或是有不充分的描述,故均適用于參考,同一種產品在不同的場合與工況有不同的搭配,如果您對本文中所提供的產品內容有任何疑問,如果您是非專業人士,歡迎您向本公司來電咨詢,請您聯系我們,我們將竭誠為您服務!
技術QQ;2412941573
銷售電話 :13917052988 (微信同號)。


