產品中心
進口高性能氣動蝶閥
類別:進口氣動閥門 ? 發布時間:2020-12-30 14:03 ? 瀏覽: 次

格林巴赫托普,巴赫BACH進口泵閥品牌。
格林巴赫托普,專注于高性能氣動蝶閥 雙偏心蝶閥 百萬次開關 超長壽命制造商,主要產品:水泵,閥門,水處理設備等系列產品的制造、銷售、售后服務,高性能氣動蝶閥 雙偏心蝶閥 百萬次開關 超長壽命產品應用在化工、石化、石油、造紙、采礦、電力、液化氣、食品、制藥、給排水等領域。
描述
● 產品概述及用途
高性能氣動蝶閥的軟密封結構偏心蝶閥的閥座采用的是PTFE的材料,主要適用于氣體輸送和對氣動閥壽命要求很高的工藝介質中。閥座外面是活動的嵌件,法蘭夾的越緊、壓力越大密封性能越佳。更換閥座方便簡單,只需取下嵌件就可取出閥座,不必拆卸閥板和閥軸。采用帶有球形密封表面的雙偏心蝶板,配以單片撓性唇式密封座,適用于要求可靠密封和良好調節特性的場合。可作快速切斷或調節流量之用。
● 主要性能參數
| 氣動執行器 | 雙作用、單作用常閉式、單作用常開式 |
| 附件可選 | 換向電磁閥、限位開關、空氣過濾減壓閥、電氣定位器、手輪機構等 |
| 電壓 | AC220V、AC110V、AC380、DC12V、DC24V、DC110V |
| 公稱通徑 | DN50-1000mm |
| 公稱壓力 | PN10、PN16、PN25、PN40、class150LB、class300LB |
| 適用溫度 | PTFE:-30~+180℃ 、R-TFE:-30~230℃ 、合金:-30~+420℃ |
| 連接方式 | 法蘭式,對夾式 |
| 閥體結構 | 雙偏心 |
| 閥體材質 | WCB、304、316、316L等 |
| 閥板材質 | WCB、304、316、316L等 |
| 閥座襯里 | PTFE、R-TFE、合金等 |
| 適用介質 | 水、液體、氣體、油類、酸堿腐蝕性介質等 |
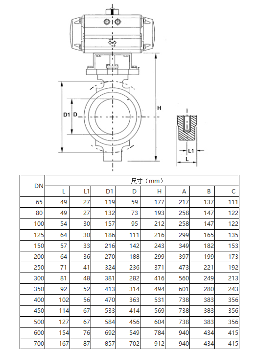
● 高性能氣動蝶閥尺寸圖

您可能還會喜歡…
-
二段式氣動蝶閥 定量罐裝系統 分段式結構
閱讀更多
聲明:本產品介紹中所有文字、數據、圖片考慮到使用工況條件不同,難免會產生誤差、不恰當或是有不充分的描述,故均適用于參考,同一種產品在不同的場合與工況有不同的搭配,如果您對本文中所提供的產品內容有任何疑問,如果您是非專業人士,歡迎您向本公司來電咨詢,請您聯系我們,我們將竭誠為您服務!
技術QQ;2412941573
銷售電話 :13917052988 (微信同號)。


