產品中心
進口二位二通蒸汽電磁閥常閉型
類別:進口電磁閥 ? 發布時間:2020-12-30 00:00 ? 瀏覽: 次

格林巴赫托普,巴赫BACH進口泵閥品牌。
格林巴赫托普,專注于進口二位二通蒸汽電磁閥常閉型制造商,主要產品:水泵,閥門,水處理設備等系列產品的制造、銷售、售后服務,進口二位二通蒸汽電磁閥常閉型產品應用在化工、石化、石油、造紙、采礦、電力、液化氣、食品、制藥、給排水等領域。
描述
POA二位二通蒸汽電磁閥,常閉式結構,通電打開,斷電關閉。閥體材質有黃銅和不銹鋼等材質。電磁閥是自動化控制系統中常見元件之一。
閥 ?體
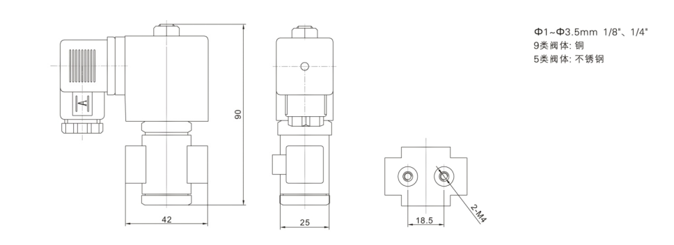
接口尺寸:1/8-4’
流量通徑:1-50mm
閥體材質:鍛銅、304、316
連接方式:G螺紋、NPT螺紋、法蘭
壓力等級:0.5-25bar
結構形式:先導式(管道有0.5bar啟動壓力)
控制方式:常閉式;通電打開,斷電關閉。
組 ?件
密封材質:TEFLON:100℃-180℃
VITON:100℃-120℃
環境溫度:0℃-65℃
安裝方式:按閥體上標記流向安裝;為增強使用壽命,線圈最好向上,水平安裝
線圈電壓:AC24V/110V/220V/230V/240V 50/60HZ DC24V/12V ±10%允許波動
防爆等級:可選EX m II BT4 ?僅當密封件VITON密封件時
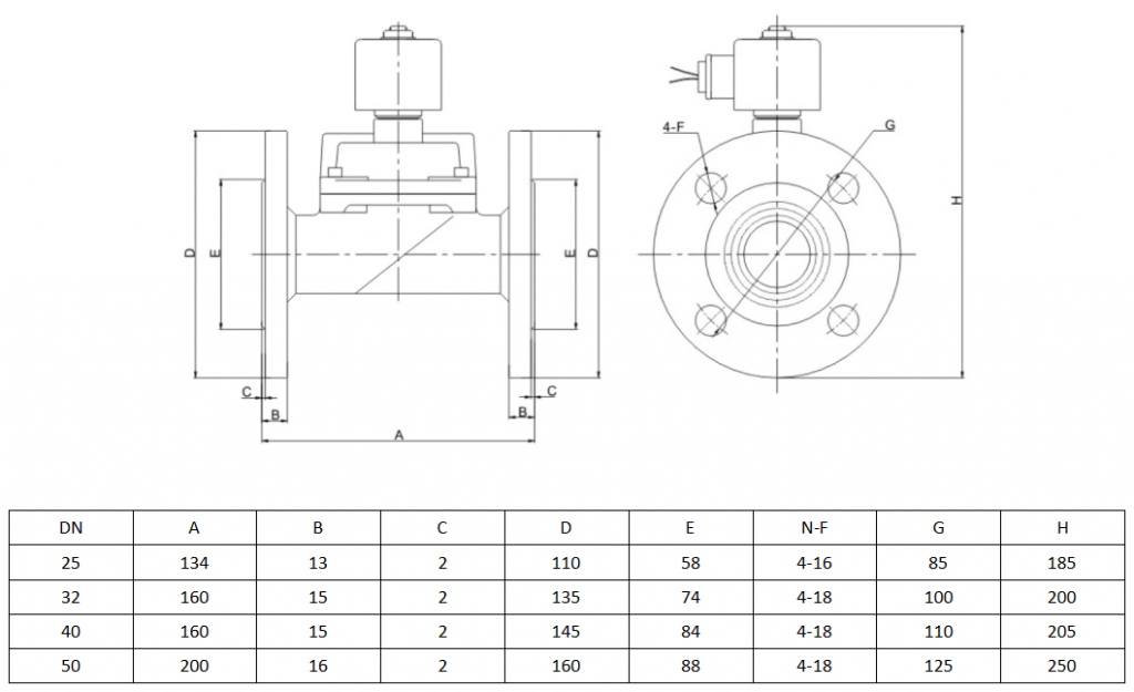
POA二位二通蒸汽電磁閥數據表
POA二位二通蒸汽電磁閥尺寸圖


聲明:本產品介紹中所有文字、數據、圖片考慮到使用工況條件不同,難免會產生誤差、不恰當或是有不充分的描述,故均適用于參考,同一種產品在不同的場合與工況有不同的搭配,如果您對本文中所提供的產品內容有任何疑問,如果您是非專業人士,歡迎您向本公司來電咨詢,請您聯系我們,我們將竭誠為您服務!
技術QQ;2412941573
銷售電話 :13917052988 (微信同號)。


