類別:水力控制閥 ? 發布時間:2020-12-25 12:26 ? 瀏覽: 次
上海滬貢閥門制造有限公司從事〖YX741X可調式減壓穩壓閥〗的供應商,可提供可調式減壓穩壓閥結構圖,可調式減壓穩壓閥外形尺寸圖,可調式減壓穩壓閥型號,可調式減壓穩壓閥作用特點,可調式減壓穩壓閥工作原理,可調式減壓穩壓閥批發廠家,可調式減壓穩壓閥執行標準,歡迎新老客戶來電,來函,我們將為您提供貼心的服務。以下就是關于YX741X可調式減壓穩壓閥說明書的詳細概述:
YX741X可調式減壓穩壓閥的結構特點
YX741X可調式減壓穩壓閥由主閥和針型調節閥、導閥、球閥及接管系統組成,主閥閥體采用全通道、直流式、流線型設計,并采用膜片式或活塞式兩類結構,利用設定調壓導閥彈簧壓力和調節針型閥開度設定出口壓力,并通過接管系統和控制室的反饋作用來穩定出口壓力。
可調式減壓穩壓閥利用針型調節閥、導閥進行水壓自力控制,不需要附加其它裝置和能源,維護保養簡便,受進口壓力和流量影響小,壓力控制準確度高,減壓穩壓可靠。
YX741X可調式減壓穩壓閥的工作原理
當管道從進水端給水時,水流過針閥進入主閥控制室,出口壓力通過導管作用到導閥上,當出口壓力高于導閥設定值時,導閥關閉,控制室停止排水,此時主閥控制室內壓力升高并關閉主閥,出口壓力不再升高。
當出口壓力降到導閥設定壓力時導閥開啟,控制室向下游排水。由于導閥的排水量大于針閥的進水量,主閥控制室壓力下降,進口壓力使主閥開啟。穩定狀態下,控制室進水、排水相同,開度不變,出口壓力不變。
調節導閥彈簧即可設定出口壓力。
YX741X可調式減壓穩壓閥的實物圖

YX741X可調式減壓穩壓閥的特點
1、壓力控制穩定可靠。導閥、主閥連續工作,下游壓力變化連續、平穩,受進口壓力影響小。
2、操作方便。工作壓力調定后,當上游壓力或流量變動時主閥自動調節,穩定了下游壓力。
3、閥體采用了全通道、直流式、流線型設計。水力損失小,節能效果好。
YX741X可調式減壓穩壓閥的功能與用途
可調式減壓穩壓閥一般安裝在供水管網系統的上游,實現對其下游管網或裝置的減壓穩壓功能,YX741X可調式減壓穩壓閥廣泛用于高層建筑、生活區域或其它供水管網系統的水壓控制。
YX741X可調式減壓穩壓閥的技術參數
| 公稱壓力(Mpa) | 殼體試驗壓力(MPa) | 密封試驗壓力(MPa) | 調壓范圍(MPa) | 適用介質 | 介質溫度(℃) |
| 1.0 | 1.5 | 1.1 | 0.09-0.8 | 水 | 0-80 |
| 1.6 | 2.4 | 1.76 | 0.15-1.4 | ||
| 2.5 | 3.75 | 2.75 | 0.2-2.0 |
YX741X可調式減壓穩壓閥的安裝示意圖

YX741X可調式減壓穩壓閥的零件材料
| 零件名稱 | 零件材料 |
| 閥體閥蓋 | WCB |
| 閥座閥盤 | 銅合金/2Cr13 |
| 密封圈O型圈 | 丁腈橡膠 |
| 閥桿 | 2Cr13 |
| 彈簧 | 50CrVA |
| 缸套活塞(活塞型) | 2Cr13 |
| 膜片(膜片型) | 夾織物丁腈橡膠 |
| 浮球閥球閥 | 銅合金 |
| 過濾器 | 不銹鋼 |
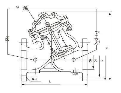
YX741X可調式減壓穩壓閥的連接尺寸結構圖

| DN | 50 | 65 | 80 | 100 | 125 | 150 | 200 | 250 | 300 | 350 | 400 | 450 | 500 | 600 |
| L | 205 | 216 | 250 | 320 | 365 | 415 | 500 | 605 | 698 | 787 | 914 | 978 | 978 | 1150 |
| H | 300 | 337 | 467 | 520 | 580 | 640 | 778 | 889 | 1010 | 1037 | 1264 | 1294 | 1324 | 1600 |
YX741X可調式減壓穩壓閥的設計要點
( 1 )工程式中應用的水力控制閥是經過制造廠檢驗合格,各種標識齊全,技術資料符合要求的產品。
( 2 )根據功能要求,選擇閥門種類,再根據管道輸送介質、溫度、建筑標準和業主 要要求 等,確定閥門的閥體和密封部位的材質。常用的閥 體材料有鑄鐵 、銅鐵、銅、塑料等。常用的密封面和襯里材料有銅合金、塑料、鋼、硬質合金、橡膠等。閥 體材料應與管道材料相匹配。
( 3 )閥門的公稱壓力有0.6、1.0、1.6、2.5和4.0MPa等不同級別,管道輸送的介質,其工作壓力應小于閥門的公稱壓力值。
( 4 )工程中水力控制閥的設置應當有足夠的空間,以便管理、操作、安裝和維修,并應符合管路對閥門的要求。
( 5 )管路采用法蘭連接時,應采用法蘭連接的水力控制閥;管路采用溝槽式連接時,應采用溝槽式連接的水力控制閥。
( 6 )水利控制閥應設置在介質單向流動的管路上。
( 7 )水利控制閥主閥體上的箭頭方向必須與管路系統流向一致。
( 8 )接水力控制閥管段不 應有氣堵 、氣阻現象。在管網≤位置 等存氣段 應設置自動排氣閥。
( 9 )閥門水平安裝時,閥蓋、閥桿應朝上。垂直安裝時,閥蓋、閥桿應朝外。
( 10 )閥門安裝前應做強度和嚴密性試驗。
( 11 )閥門的強度和嚴密性試驗應符合以下規定。
A、閥門的強度試驗壓力為公稱壓力的1.5倍;
B、閥門的嚴密性試驗壓力為公稱壓力的1.5倍;
C、試驗壓力在試驗持續時間內應保持不變,且殼體填料及閥瓣密封面無滲漏;
D、閥門試驗持續時間按上表。
YX741X可調式減壓穩壓閥是一個總稱,由一只主閥及其外裝之針閥、向導閥等組合而成的一類自動控制閥。YX741X可調式減壓穩壓閥的工作狀態一般呈常用狀態、常開狀態、浮動狀態,主要依靠主閥與針閥或導閥之間調節來進行控制水流狀態。
|
可調式減壓穩壓閥工作原理 YX741X可調式減壓穩壓閥是以管路系統上下游壓力差△p為動力,由導閥控制,使隔膜(活塞)液壓式差動操作,完全由水力自動調節,從而使主閥閥盤完全開啟、完全關閉或處于調節狀態。當進入隔膜(活塞)上方控制室內的壓力介質被排到大氣或下游低壓區時,作用在閥盤底部和隔膜下方的壓力值大于上方的壓力值,依靠管路介質將主閥閥盤推到完全開啟的位置:當進入隔膜(活塞)上方控制室內的壓力介質不能排到大氣或下游低壓區時,作用在隔膜(活塞)上方的壓力值大于下方的壓力值,管路中的介質將主閥閥盤壓到完全關閉的位置;當隔膜(活塞)上方控制室內的壓力值處于人口壓力與出口壓力之間時,主閥閥盤處于調節狀態,其調節位置取決于附設管路系統中針閥和可調導閥的聯合控制作用。可調導閥可以通過下游的出口壓力并隨它的變化而自動調節其自身閥口的開度,從而改變隔膜(活塞)上方控制室的壓力值,控制主閥閥盤的調節位置。 |
|
可調式減壓穩壓閥按用途可分為哪些種類 1)水位控制閥。主要控制水池、水塔中的水位。 2)減壓閥。將較高進口壓力減小到某一需要的出口壓力,并依靠介質自身的能量,使出口壓力自動保持穩定的閥門。 3)水用安全閥(泄壓/持壓閥)。當給水管路系統中的壓力超過設定壓力時,閥門自動開啟泄壓,保護管線安全。 4)止回閥。安裝在給水系統的水泵出口,防止介質倒流,并消除水擊。 5)電動開關閥。以電磁閥作為先導閥,根據電信號,遙控開啟和關閉給水管路系統,可取代用來開啟和關閉的閘閥和蝶閥的大型電動裝置,并可實現遠程控制。 6)400X流量控制閥。將過大的流量限制在一個預定值,并將上游的高壓減為所需要的下游低壓。 7)800X壓差旁通平衡閥。用于空調系統供水管、回水管或集水器、分水器之間,控制供水管、回水管或集水器、分水器之間的壓差為設定值。 8)900X緊急關閉閥。用于消防用水與生活用水并聯的供水系統中,自動調配供水方向。 9)JM744X膜片式快開排泥閥。安裝在沉淀池底部池壁外,用以排除池底沉淀的泥沙和污物。 10)JM742X隔膜式池底卸泥閥。安裝在沉淀池的底部,排除池底的泥沙和污物。 |
|
可調式減壓穩壓閥如何選型 (1)型號的選擇 選擇YX741X可調式減壓穩壓閥的型號,主要根據用途去選擇,當確定了用途、介質、溫度和工作壓力后,選擇所需要的型號。 (2)結構型式的選擇 選擇YX741X可調式減壓穩壓閥的結構型式,主要取決于管路系統中的水質。當水質比較差時,優先選用直流式中的膜片式結構,由于直流式的結構特點,閥座在閥體內腔呈傾斜狀態,水中的雜質不易停留在密封面上,因此不受水質的影響,始終能保證動作靈活。 |
|
可調式減壓穩壓閥適用于哪些工況 YX741X可調式減壓穩壓閥是利用管網中水的壓力控制閥門的開啟、關閉及開度大小的閥門,是一種既省人力,又節約能源的自動閥門。廣泛地應用于水力灌溉、高層建筑、消防系統、市政給排水、電力等給水管網系統。它所具有的功能有自動控制水位、減壓、泄壓、持壓、調節、止回、消除水錘、開關等多種功能。還可以根據不同的需要,改變附設管路及先導閥,達到所需要的功能。 |


