產品中心
高壓電磁閥
類別:電磁閥 ? 發布時間:2020-12-29 08:30 ? 瀏覽: 次
高壓電磁閥


高壓電磁閥描述
閥 體
接口尺寸:1/8-1’
流量通徑:1-25mm
閥體材質:鍛銅、304、316
連接方式:G螺紋、NPT螺紋
壓力等級:0-100bar
結構形式:直動式、先導式(管道有0.5bar啟動壓力)
控制方式:常閉式;通電打開,斷電關閉。
組 件
密封材質:TEFLON、VITON
環境溫度:0℃-65℃
安裝方式:按閥體上標記流向安裝;
為增強使用壽命,線圈最好向上,水平安裝
線圈電壓:AC24V/110V/220V/230V/240V 50/60HZ DC24V/12V ±10%允許波動
防爆等級:可選EX m II BT4 流量通徑2.5以下
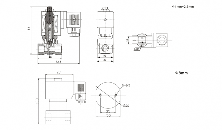
高壓電磁閥尺寸圖:
高壓電磁閥尺寸圖:


高壓電磁閥型號參數表



