產品中心
高溫電磁閥
類別:電磁閥 ? 發布時間:2020-12-29 08:24 ? 瀏覽: 次
高溫電磁閥


高溫電磁閥描述
上海滬貢高溫電磁閥是自動化控制系統中常見元件之一,由先導閥、散熱器、活塞主閥組成。常閉式,通電開,斷電關。主要用于蒸汽、導熱油等高溫介質。
標準技術參數
閥 體
接口尺寸:3/8-2’
流量通徑:15-50mm
閥體材質:304
連接方式:G螺紋、NPT螺紋、法蘭
壓力等級:0.5-16bar
結構形式:先導式
控制方式:常閉式組
件密封材質:TEFLON+金屬
介質溫度:120℃-250℃
環境溫度:0℃-70℃
安裝方式:按閥體上標記流向安裝;
線圈電壓:AC24V/110V/220V/230V/240V 50/60HZ DC24V/12V
±10%允許波動線圈等級:H級
適用介質:高溫導熱油、蒸汽等高溫介質
注:高溫電磁閥僅適用于溫度在120度以上介質。

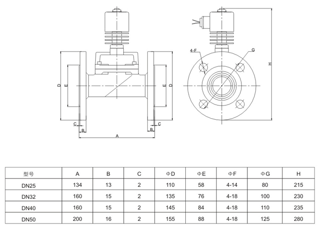
高溫電磁閥數據表
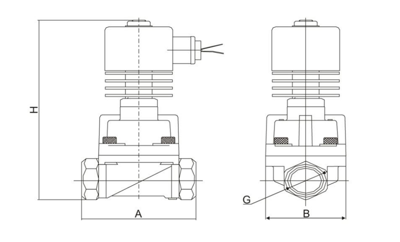
高溫電磁閥尺寸圖



高溫電磁閥數據表
高溫電磁閥尺寸圖




